窃电工具 浅析4种窃电器窃电原理,防止智能窃电转空子
浅析4种窃电器窃电原理,防止智能窃电转空子
传统的窃电方法是指那些如私自接线、绕越计量装置、伪造或开启计量装置封印,故意损坏电能计量装置等的窃电方法。通过直观检查,就可发现,属于简单的窃电方法。
智能型窃电手法是从电能计量装置的基本原理入手,改变电压、电流及相位等参数,使电能表慢转、停转甚至反转(如使用倒表器窃电、改变电能表结构窃电、远方遥控方式窃电等),由于采用了窃电装置进行窃电,不需伪造或开启计量装置封印,表面看起来并不改变电能计量装置接线,只是在负荷侧加装窃电装置。此类窃电方式具有科技含量高、智能型、隐蔽性强、不易发现等特点。
窃电器常以节电器的面目出现,达到使电能表走慢,少计电能的目的。伴随窃电现象出现了为窃电者提供服务的行为,如生产、销售窃电装置,传授窃电技术,帮助他人窃电获取报酬等。窃电器曾猖狂一时,给电力部门造成很大损失,窃电器被吹得神乎其神,许多人被弄得晕头转向,觉得防不胜防。其实窃电器并非不可防范,只要搞清楚窃电器的构造,清楚其行窃手段,就掌握了克制它的方法。
1、电磁干扰窃电器的原理分析
电子式单相电能表绝大部采用步进电机计数器,而步进电机计数器在强交变场作用下会自动计数,改变磁场的方向,计数器便快速递减计数,从而实现窃电。例如: 将电子式电能表置于一个足够强的交变磁场中,如果步进电机屏蔽不好,步进电机就会受交变磁场的影响而转动,从而使得计度器转动。试验的原理接线图如图1。
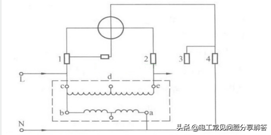
2、电感型窃电器的窃电原理分析
窃电器结构见图2中的虚线框,铁芯上绕有两组线圈,初级线圈线径较小、圈数较少,次级线圈ce线径较大、圈数较多。两线圈的b、c端相连接。使用线圈的中心抽头 可调整窃电能力,次级线圈全部使用窃电能力最强。
行窃时,如图2接线,未接窃电器时,电能表1端电位高,2端电位低;窃电器接上后由于窃电器a端接低电位,e端接高电位,致使窃电器次级线圈中感生出与电能表电流线圈电位方向相反的电动势,由于两者并联形成闭合回路,则一个强大的反向电流附加于电能表电流线圈,现场测试表明:当用电负荷小时,电能表飞快反转,当用电负荷大时,电能表虽正转但比正常情况慢得多,从而少计电量窃电。此为高速反转倒表。
图2 窃电器结构及窃电时的接线
若不用e头,d头接电能表出相线(2端),则为中速反转倒表。若e头仍用,c头不用,d头接电能表进相线(1端),则为低速反转倒表。之所以绕组ce用很粗线径的铜线绕制,长度也较长;绕组ab用较细的铜线绕制,长度较短,是为了在c头取得更低的电位,使反转明显。因为反向电流为电能表正转电流的数倍,故窃电器引线用很粗的铜线制做。
对低压计量箱窃电,见图3,一般采用窃电器d、e端分别接计量箱低压出线的中性线和一根相线,而c端接人计量箱内碰触电流互感器的Kl接线端子,或配电变压器的低压套管。
若a端仍接计量箱低压出线的中性线,而c、e端接入计量箱内分别碰触电流互感器的Kl、K2接线端子,其窃电能力增加电流互感器的变比倍。但由于两端子相距很近,故实施起来比较困难。
图3 通过电流互感器的行窃接线
3、利用移相器窃电的原理分析
感应移相器原理上是一种工作在移相状态下的旋转变压器,其输出电压和输入电压的时间相位移在0~3600范围内与转子转角成线性关系,而输出电压的幅值恒定不变,移相器在结构上相当于转子被蜗轮制动的三相绕线式异步电动机,定子绕组作原边,接电源,转子绕组作副边,经滑环、电刷与负载连接,定转子间只有磁的联系而无电的联系,转子不能自己转动,须按使用者的要求转动蜗轮螺杆,使转子在某一范围内移动某一角度,因转子转速为零,故相当于变压器。移相器通过改变转子位置,改变了输出电压的相位,而不改变其大小。若将其接于电能计量线路中,电路如图4。
图4 移相器接入电能计量回路接线图
设负载电流为Ia、Ib、Ic且为阻性,则负载实际用电量为:P=UaIa+UbIb+UcIc
设:线路对称, Ua=Ub=Uc,Ia=Ib=Ic,则:P=3UaIa= 3UabIa
而电表实际测量的电能为:P表= 3UABIACOS(180°-α)
设:Ke=Ki=1,则: UAB=Uab,IA=Ia,P表= 3UabIaCOSα
图5 接入移相器后的相量图
可见电能表测出的电能比实际负载的用电量少,负载不变的情况下,如果把移相器的角度由0°逐渐增大,则功率表的读数会逐渐减小,当角度大于180°时,功率表的读数变为负值。
4、遥控型窃电器窃电原理分析
电子遥控装置窃电采用的是失(欠)(或分流)压窃电方式,即窃电者采用改变计量装置电压回路的正常接线,经遥控造成计量电压回路开路(电流回路分流),导致计量电压(电流)回路故障,使电能表的电压线圈失压,从而导致电能表不计。
但是由于该装置使用了电子遥控等高新技术,具有体积小、安装方便、隐蔽性强、可随意控制的特点,供电检查极难发现。窃电者可十分方便的根据自己的要求随时进行遥控。由于高压计量箱安装位置较高,用电检查很难发现。
防窃电技术措施
1.对居民用户采用集中装表箱或全封闭电能表箱,即线进管,管进箱,箱加锁(封)的办法,使人、表分离,让用户无法接触到表计及二次线。
2.对大用户、工矿企业的电能计量装置,应由三方加封,用电监测部门及用户不得私自一方起封计量箱或计量柜。
3.使用电子式多功能电能表。因电子式电能表具有不能倒装、底度不能清零,不可更改表计常数,有失压、失流记录及电流不平衡记录、逆相序记录、设表等事件记录等的防窃电功能。
4.防止采用电子遥控装置进行窃电的措施
(1)改变高压计量箱的安装位置,将高压计量箱安装在跌落保险的靠线路侧,同时在线路计划性停电时安排人员巡视,这样将使窃电者无法进行遥控装置的安装;
(2)尽量选用灌注型干式高压计量箱,使窃电者无法进行遥控装置的安装。
结论
对大用户、工矿企业使用自动抄表系统,对用户的用电情况进行实时监测和科学管理。供电部门可借助中国移动
的商用G P R S 网络,构建了一个无线网络数据通信系统,实现了电力设备的电压瞬态值和有效值、电能值、有功功率、无功功率、功率因数等参数的实时监控,同时通过控制简单的开关量输入和输出,达到防窃电的效果。
针对当前窃电者利用遥控、光感等高科技、高智能的技能型窃电手段,我们必须配备先进的现场检查、校验仪器,以便于用电检查人员在现场及时发现计量装置的异常情况。提高计量装置的科技含量,推广使用具有防窃电功能的电能表和互感器。
同时加强对用户的负荷管理,加快实施远方抄表、电表在线监测、用户电压监测管理等电力营销现代化管理的步伐,减少人为因素的影响,确保现场数据的实时性,以便及时发现问题,提高反窃电能力。
反窃电是一项长期的、复杂的工程,要彻底解决窃电问题,不但要有完善、可靠的技术措施,还需要严格、科学、合理、规范的管理措施。同时,依靠国家法律、法规的支撑和社会公众的支持。这样,各方力量的密切配合,才能有效制止窃电行为,从根本上保障和维护国家利益。
另外给大家推荐一个不错的电工招工平台,大家可以点击下方蓝色字体或者直接上网搜索电气服务云平台 下载!
换位思考查窃电,多数时候非常奏效!不信你试试?
在治理台区线损的过程中,影响线损的一个重要因素就是用户窃电,但是这种猫捉老鼠的游戏,如果小猫没有足够的智慧仅凭全身用不完的力气来捉老鼠肯定是不行的,很多老鼠可能就会从你眼皮子底下溜走。我时常在想,假如我是一个窃电者我会采取什么方法尽量不被查到呢?我认为:
1、检查人员不愿意去的地方,比如地上污秽遍地,杂物堆积之地。
2、线路杂乱,看不清楚,缺乏登高工具或不便架设登高工具的地方。
3、在阴暗角落,检查人员很难凑近观察的地方。
4、在拆迁后,线路未清理干净,检查人员自认为不可能有人用电的地方。
5、表面很规范,实际暗藏玄机的表箱,配电箱,开关板后面。
下面略举两例进行证明。
最近我们辖区有一台公变线损不稳定,时而正常,时而高损,这个台区大部分已拆迁,只有少数客户用电,有部分客户供电半径较远,末端客户距台区距离将近1公里,台区经理查了几次都报告说没有问题,反而把线损不稳定原因归为供电半径较远造成的。是个硬伤没法搞!
线损总这样波动也不是办法,仅凭台区经理的说辞自己不了解情况被他们忽悠了也不是不可能。
于是自己亲自下台区看个究竟,去的路上,我心里就在揣摩假如自己在这个台区偷电是怎么个偷法,来到现场顺着线路查,用望远镜观察,嘿!真的真的发现了问题。
在一根低压电杆上,原来有接户线,但是用户已拆迁,几条废弃接户线悬吊半空,但其中还有两条细小导线顺杆而下,接了一个多孔插座供一台潜水泵抽水灌溉,原来这基电杆周围老百姓已搬迁,杂草丛生不便走近,有个老百姓返回拆迁地开垦了一块土地种蔬菜,由于电杆上有其他废弃接户线干扰视线,原先台区经理远远的观察没有发现这两条细导线,啥也不说了,罚你没商量。
这个台区还没完,又来到一处动力用户处,接户线门字铁安装较高,上方有彩钢遮盖导致视线不好,现场有没有长竹梯,凭肉眼也看不清,幸好带有望远镜,找好角度观察,又发现了问题!
四线门字铁旁边用pvc塑料管引了两根线到后方的三表箱用电,没错,但是还有两根浅色导线去向不明,立即通知所上兄弟携竹梯过来彻查,用竹梯登高检查发现浅色导线引到了动力用户另外一个车间,供车间3台220V微型车床用电。同样,啥也不用说了,认罚吧!
通过同一台区两个案例,证明只要我们打歪主意又不想被查到,考虑问题的思路和心理都是一样的,带着这样的心思去查窃电还真有意想不到的收获。
相关问答
发现窃电怎么写报案材料?
报案材料应包括以下内容:1.报案人的基本信息:包括姓名、身份证号、联系方式等。2.被盗电情况描述:详细描述发生窃电的时间、地点、涉及的设备、设备数量、...
居民偷电是如何处罚的
居民私自盗窃电能的,由电力机关责令停止违法行为,追缴电费并处应交电费五倍以下的罚款。解析:居民私自盗窃电能的,由电力机关责令停止违法行为,追缴...
偷电线头盗窃罪,电表被偷后私自窃电,偷电构成盗窃罪吗?_华律网
第一百一十九条【破坏交通工具罪、破坏交通设施罪、破坏电力设备罪、破坏易燃易爆设备罪】破坏交通工具、交通设施、电力设备、燃气设备、易燃易爆设备,造成严...
家用偷电怎么处罚2021年-找法网
窃电数额较大情节严重构成盗窃罪的,处三年以下有期徒刑、拘役或者管制并处或者...在公共交通工具上抢劫的;(三)抢劫银行或者其他金融机构的;(四)多次抢劫或者...
电话号码过滤系统哪家好?
[回答]青岛海微合众计算机系统工程有限公司,考勤系统超市管理系统设备管理会员管理连锁酒店打卡机门禁系统会员管理系统设备管理系统POSE系统远程抄表我公...
听说绝缘检测仪操作简便质量好吗?
便携式电能质量分析仪是参照国家电力技术标准DL/T826-2002,DL/T448-2002研发而成的一款体积小、轻巧、简单简单的用电现场检验仪器,DGDZ-H便携式电...
乡下偷电一般要罚多少钱,要罚一万甚至更多吗?-找法网
窃电金额达到三万元至十万元以上的,处三年以上十年以下有期徒刑,并处罚金;窃电金额达到三十万元至五十万元以上的,处十年以上有期徒刑或者无期徒刑,并处罚金或者...
您好请问取保候审后多长时间可以拿回手机_在线咨询刑事辩护法...
1、取保候审后,如果手机是作案工具,无论多久都不可以拿回,应当随案移交。如果与案件无关,案件结束可以退回。但需要注意,取保候审结束不等于案件结束。2...
偷5,860元有线电视的处罚是什么?能多长时间?-找法网
《刑法》第一百一十九条【破坏电力设备罪】破坏交通工具、交通设施、电力设备...如果用电户窃电属实,供电企业可依据合同约定的违约责任项,要求其承担赔偿电费损...
全国供电规则实施细则?
全国供用电规则颁布单位:国家经济委员会(已变更)颁布日期:1983-08-25执行日期:1983-08-25第一章总则第二章供电方式第三章新装...(5)公用变电站内用...





