电工学第三版 干货|电工必须学会的三极管电路分析方法
干货|电工必须学会的三极管电路分析方法
三极管有静态和动态两种工作状态。未加信号时三极管的直流工作状态称为静态,此时各极电流称为静态电流,给三极管加入交流信号之后的工作电流称为动态工作电流,这时三极管是交流工作状态,即动态。
一个完整的三极管电路分析有四步:直流电路分析、交流电路分析、元器件和修理识图。
一、直流电路分析方法
直流工作电压加到三极管各个电极上主要通过两条直流电路:一是三极管集电极与发射极之间的直流电路,二是基极直流电路。
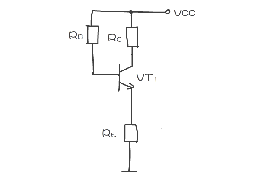
通过这一步分析可以搞清楚直流工作电压是如何加到集电极、基极和发射极上的。如图所示,是放大器直流电路分析示意图。对于一个单级放大器而言,其直流电路分析主要是图中所示的三个部分。
分析三极管直流电路时,由于电路中的电容具有隔直流特性,所以可以将它们看成开路,这样上图所示电路就可以画成如下图所示的直流等效电路,再用这一等效电路进行直流电路分析就相当简洁了。
二、交流电路分析方法
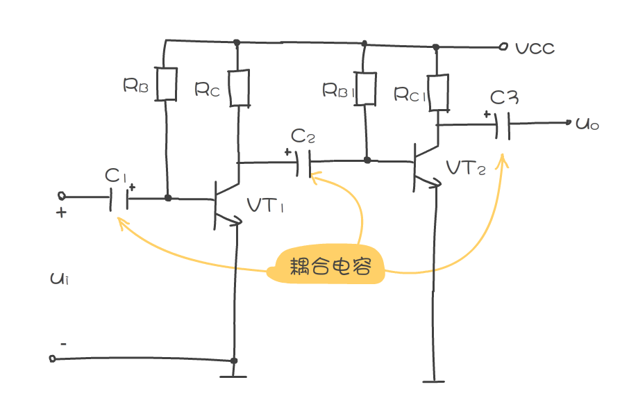
交流电路分析主要是交流信号的传输路线分析,即信号从哪里输入到放大器中,信号在这级放大器中具体经过了哪些元器件,信号最终从哪里输出。如图所示,是交流信号传输路线分析示意图。
另外还要分析信号在传输过程中受到了哪些处理,如信号在哪个环节放大,在哪个环节受到衰减,哪个环节不放大也不衰减,信号是否受到了补偿等。
上图电路中的信号经过了C1、VT1、C2、VT2和C3,其中C1、C2和C3是耦合电容,对信号没有放大和衰减作用,只是起着将信号传输到下级电路中的耦合作用,VT1和VT2对信号起了放大作用。
三、元器件作用分析方法
1、元器件特性是电路分析关键
分析电路中元器件的作用时,应依据该元器件的主要特性来进行。例如,耦合电容让交流信号无损耗的通过,而同时隔断直流通路,这一分析的理论根据是电容隔直通交特性。
2、元器件在电路中具体作用
电路中的每个元器件都有它的特定作用,通常一个元器件起一种特定的作用,当然也有一个元器件在电路中起两个作用的。在电路分析中要求搞懂每一个元器件在电路中的具体作用。
3、元器件简化分析方法
对元器件作用的分析可以进行简化,掌握了元器件在电路中的作用后,不必每次对各个元器件都进行详细分析。例如,掌握耦合电容的作用之后,不必对每一个耦合电容都进行分析。如图所示,是耦合电容分析示意图。
四、修理识图方法
修理识图为检修电路故障服务,这一识图要求在完全搞懂电路工作原理之后进行,否则没有意义。因为故障现象明确,因此故障检修过程中的修理识图可以有针对性的选择电路中的元器件进行,而不需要对电路中的每个元器件都进行故障分析。
分析时,找出电路中的主要元器件,并分别假设它们出现开路、短路、阻值变大和变小等故障,分析这种故障对直流电路和交流电路的影响,从而推理出可能的故障根源。
修理识图的关键是找出电路中关键测试点:
1、单级放大器关键测试点
如图所示,单级放大器主要是三极管的关键测试点。
三极管的关键测试点用来测量三个电极的直流工作电压,其中集电极是第一测试点,其次是基极,第三是发射极。
2、集成电路关键测试点
集成电路关键测试点最重要的是电源引脚,还有输入信号引脚和输出信号引脚。
五、三极管基极偏置电路分析方法
三极管基极偏置电路分析最为困难,掌握一些电路分析方法可以方便基极偏置电路的分析。
1、电路分析的第一步是在电路中找出三极管的电路符号,如图所示,然后在三极管电路符号中后找出基极,这是分析基极偏置电路的关键一步。
2、第二步从基极出发,将与基极和电源端相连的所有元器件找出来,如图所示,电路中的RB1,再将基极与地端相连的所有元器件找出来,如电路中的RB2,这些元器件构成基极偏置电路的主体电路。
上述与基极相连的元器件中,要区别哪些元器件可能是偏置电路中的元器件。电阻器有可能构成偏置电路,电容器具有隔直作用而视为开路,所以在分析基极直流偏置电路时,不必考虑电容器。
3、第三步确定偏置电路中的元器件后,进行基极电流回路的分析,如图所示。基极电流回路是:直流工作电压VCC→偏置电阻RB1→VT1基极→VT1发射极→VT1发射极电阻RE→地端。
免责声明:本文系网络转载,版权归原作者所有。如本文所用视频、图片、文字如涉及作品版权问题,请在文末留言告知,我们将在第一时间处理!本文内容为原作者观点,并不代表本公众号赞同其观点和对其真实性负责。
北工大仪器仪表工程专业《电工学》考研大纲解读报录比和复
北京工业大学仪器仪表工程考研。
全网同名:北工大考研高分学长。
大家好,今天是对北京工业大学仪器仪表工程专业考研报录分析学习重点复习规划的初步详解。一期仪表工程专业课是813电工学,接下来将从以下四个方面进行初步讲解。
·首先进行自我介绍,我是二四届一期仪表工程专业专注的考生,初试成绩是排名第三,总成绩排名第五。因为今天主讲的是对电工学专业课的了解,所以如果大家对政治、英语或者数学这几门课有什么问题,可以在后续进行继续的沟通交流。
·接下来是仪器仪表工程专业的考录分析。仪器仪表工程分成学硕和专硕,但是专业课都是电工学,不同点在于学硕学习的是英一和英一和数一,专硕是英二和数二。
英学的学费是八千元每年,报考的时候会有几个不同的方向,但是上岸过程、学习过程是没有实际的差别的。这个是二三年和二四年以及仪表工程录取人数的数据,可以看到国家线一直是二百七十三分,没有涨幅也没有下降,但是总的录取人数和一致录取人数是有一定的差异的。
会在复试之后刷掉几个初试成绩不太理想的同学,所以像网上说的高分被刷的情况还是少之又少的,只要初试成绩保证低分在二百八十分以上,我觉得还是比较安全的。总之还是初试成绩保证考的越高越好。这个是二四年报录比是六比五。
·接下来是对813大纲的解读。考试要求不需要一些过度的解释,考试的内容就是电工技术和电子技术两本书,考试内容就是电工技术的前六章和电子技术的前七章,对到前期上。
电子电工技术,我觉得有些同学可能会看一些视频觉得电工学有重点和非重点之分,因为当时学习的时候也是了解到什么。有些人说电工技术的第六章思路与铁心线圈电路是非重点,还有电子技术的第七章触发器和持续逻辑电路是非重点,所以当时也是踩了一个小小的雷暴损失。因为听说它是非重点,所以对这两章的学习并不是足够的深入。
所以今年给到你们的建议只能说是大家一定要确保所有在大纲上提到的知识点、提到的章节一定要有透彻的学习和理解,不要因为它是非重点就降低了对它的警惕度。可以算是因为等到正式考试的时候会发现会有一些不太常见或者是容易被忽略到掉的知识点,虽然不是很难,但是因为前期的学习对它的重视度不高,就会很容易在一些简单的知识点上丧失掉一些可以避免的分数。
然后是它的参考数目,就是巅峰学的上下两侧,大家一定要看清楚它的出版社,谁是主编的,哪一年出版的,不要买错书母。因为电工学主要的学习内容只有电工学第七版上下两侧,注意不要买错书。
然后对813的复习建议一个是资料,资料一定要有课本,就是电工学专业课资料就是电工学学习习题解答。这本书是对电工学的课后习题的所有答案,然后后期的学习,后期的练习题的练习主要是以真题为主。
813的题型,它的题型当时每年题型应该都差不多都是选择题有十个,解答题十个,选择题是三分,解答题是十二分。它题型每年都是固定的,题量不是很大,但是需要画图的地方很多,所以时间不算是特别充裕,需要对这个知识点比较熟练。
正常在对知识点熟练的基础上考试的时候,做完整张卷子能留十五分钟左右是比较理想的。然后它的题目大部分都是以课后题为原型,甚至是课后ct,所以可见电工学ct解答这本书的重要程度。
接下来是对你们的备考建议。
·八幺三复习建议:因为现在是七月多分,应该刚放暑假,所以应该是进入专业课的初步学习。第一遍就是要按照书籍的章节从头到尾的进行对它初步的了解,先上册后下册,差不多是平均下来每两天完成一个章节的学习,包括对章节知识点的了解。
学习完之后要梳理本章的框架,特别是重难点,对了解到这章学习到什么之后再去完成它的coct,因为这是第一遍去做coct,所以一定不要看答案。其实有不会的题可以先空着,第一遍会的做,对的就可以划掉了,能够方便二刷三刷的时候减少ct量。
所以七月份和八月份这两个月的重点任务就是要对课本进行详细的、细致的学习,等到九月份就是要结合辅导资料第二遍过课本,这两个月的重点就是要对客户习题进行二刷三刷,甚至是四刷五刷,保证所有的题都见过,所有的题都会做。
因为当时是进行了四刷,大家一定不要有畏难情绪,因为刷第一遍和二刷的时候肯定是比较慢的,因为是刚接触到这个知识点,等到刷的多了刷二刷三刷之后再进行四刷和五刷的时候速度会非常快。
这个是九月到十月的重点任务,等到十一月到十二月中旬就是考研准备考研的前段时间,重点就要放在真题上了。我认为在这段时间是一零年到二零年的真题最少要刷三遍,二一年到二三年的真题最少要刷四到四到五遍,因为二年到二三年的考题相对于之前的真题是有一些稍微的变化的,更加的灵活了,所以大家要对这三年的考题进行重点的把握,了解到它的一些不同点。
以上就是对八幺三专业课的简单的讲解,如果同学们还有任何疑问可以在后续与我进行继续的沟通,谢谢大家。
相关问答
【电工学三相电路问题1、三相电路中相断是怎么个断法?是指断...
[最佳回答]前三道题是属于概念性的问题,在课本中都能找到.至于第四题方向可以自己规定,看个人习惯.第五题的下标是定义矢量图的方向的,更换了位置,方向就改变...
想用高频变压器(普通的电源适配器)做直流无频闪(护眼)白炽灯...
【出处】电工学与电路原理第三版【示例】三相变压器因同名端联接组不同,初、次级相位差便不同如Yy和Yy6。直流电,顾名思义就是没有幅度恒定的电流,...
想用高频变压器(普通的电源适配器)做直流无频闪(护眼)白炽灯...
是频率高于40Hz人眼不易察觉频闪。如果电流进入一个线圈的同名端,则在第二个线圈的同名端处,互感电压的参考极性为正。或者:如果电流从一个线圈的...
什么是麦克斯韦的电磁方程组?
也就是说,位移电流与电场的时变都会产生磁场。麦克斯韦推导出的电场、磁场波动方程由第三、第四个方程我们可以看出,电场和磁场是可以互相生成的,条...
云南大学物理与天文学院怎么样?设有哪些专业?申请方
[回答]~接下来我为大家简单介绍一下我们云南大学的物理与天文学院开设的专业以及研究情况专业设置:数理基础科学-本科、物理学-本科、应用物理学-本科、光...
电气自动化能自学吗-MitMigWgwf的回答-懂得
可以学的。首先要学习电气原理,介绍一本书(电工学),电气是要靠理论作为基础的;第二你可以学习电气继电器控制线路原理,从简单到复杂;第三在学习继电...
电功率的计算公式及单位是什么
[回答]在电工学中,常用的电功率单位还有千瓦(KW):1千瓦(KW)=1000瓦(W)=103瓦(W)扩展资料3.在对称三相交流电路中不论负载的连接是哪种形式,对称三相负载的...
微机的历史
个人电脑,又称个人计算机,英文缩写为PC,即PersonalComputer。1973年,法国工程师FrançoisGernelle和AndréTruong发明了最早的个人电脑Micral。.....
如何给孩子报培训班?
今天带我家娃去试听一个英语辅导班,可以说是一个失败的体验,因为还没有开始试听课程,我家娃就哭着要走,拒绝在这里上课。我家娃算是比较皮实的那类,去之前以...
武汉纺织大学高等职业技术学院怎么样?设有哪些专业?申请方
[回答]~接下来我为大家简单介绍一下我们武汉纺织大学的高等职业技术学院开设的专业以及研究情况专业设置:服装设计-专科、环境艺术设计-专科、机电一体化...





