电工的识图 电工识图基础知识,一看就懂
电工识图基础知识,一看就懂
新手电工问:不会识图,对电工意味着什么?
老电工答:
为何一直强调识图的重要性呢?很简单真的重要。拿电气成套行业为例,一般有 一次安装、二次接线、成套报价、售后维修、电气设计等岗位,基本所有岗位都需要有识图基础,就是需要你能看懂图纸,按图操作。哪怕是二次接线,有些地区也是看原理图接线!
总结为一句话:只有掌握了识图技巧及如何识图?才能往更高层次的方向发展,如电气设计 。
很多人会说,我只想做“物业电工,那以上当没说,如果想提升自己,我们一起来看看该如何学识图?
【文末免费领取完整PPT文档】
【文末免费领取完整PPT文档】
【文末免费领取完整PPT文档】
【未完……电工识图基础知识.pdf全文长144页】
【想要全文的小伙伴请后台私信“001”】
【未完……电工识图基础知识.pdf全文长144页】
【想要全文的小伙伴请后台私信“001”】
【未完……电工识图基础知识.pdf全文长144页】
【想要全文的小伙伴请后台私信“001”】
【未完……电工识图基础知识.pdf全文长144页】
【想要全文的小伙伴请后台私信“001” 】
【未完……电工识图基础知识.pdf全文长144页】
【想要全文的小伙伴请后台私信“001” 】
【未完……电工识图基础知识.pdf全文长144页】
【想要全文的小伙伴请后台私信“001” 】
学电工不知道从哪下手?看不懂电路图怎么办?基本电气识图教给你
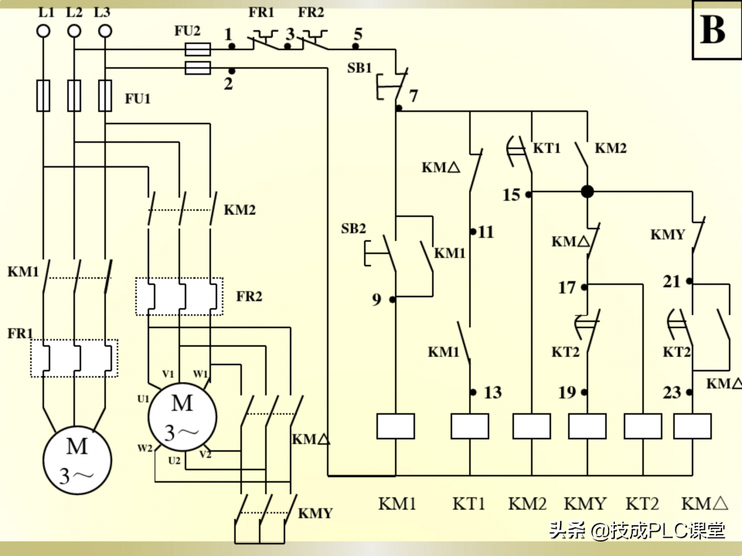
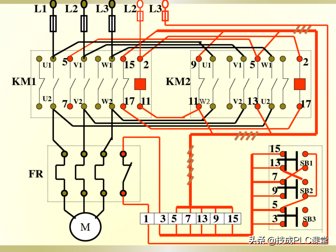
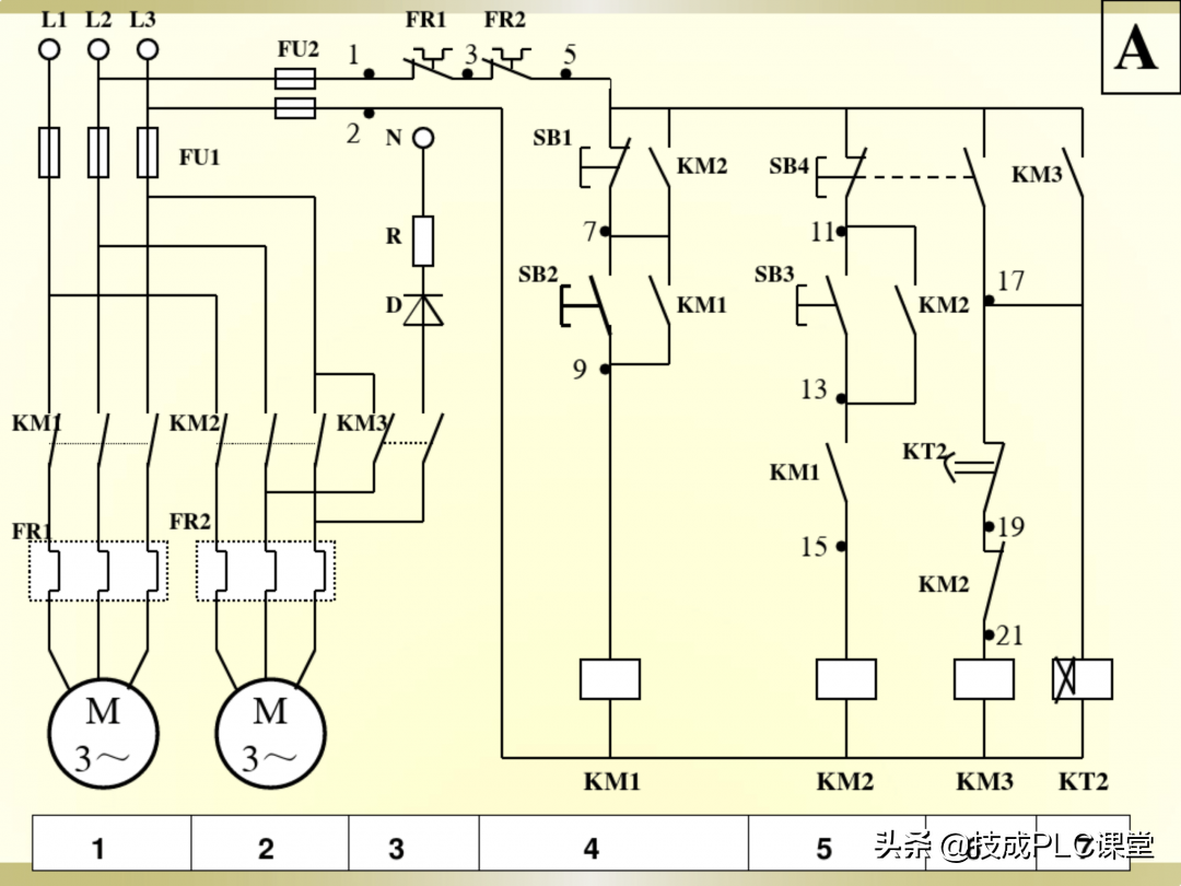
最近很多的刚入门的电工师傅留言说:刚入门学习电工技术,到现在都看不懂电路图怎么办?有没有快速入门学习电工的方法?怎么样快速看懂电路图?有没有什么看懂电路图的捷径之类的?等等诸如此类的问题,都是电工初学者经常都会遇到的问题,其实老电工师傅们都知道,电工入门非常简单,但是要精通就很难了,就拿看懂电路图来说吧,对于电工新手而言,看懂电路图是值得羡慕的事情,其实想要看懂电路图并不困难,关键是要有方法,电工师傅们都知道,电路图都是由各种各样的电气元器件构成的,看懂和了解常用的电气元器件的电路符号,自然就能够看懂电路图,明白电路原理了,因此很多的电工师傅都会建议新手电工:从认识基础的电路符号入手,这是最基础也是最快速的入门途径,那么我们今天就重点来看一下常用的电气元器件的电路符号:
相关问答
新手如何快速看懂电工图纸?
首先认识电路中开关,按钮,信号灯等基本组成元件的图形符号,然后必须得熟悉一些基本的电路,这样才能在拿到图纸后,对图纸识读。首先认识电路中开关,按钮,信号灯等...
电工穿线图怎么看?
电气图纸上,照明回路穿线要比插座回路难的多。插座回路通常穿三条线,分别是:火线、零线、地线,线路从电箱出来,连接每个插座点的根数都是一样的!照明回路与...
电工怎么样才能看懂电路图?
看电气控制电路图一般方法是先看主电路,再看辅助电路,并用辅助电路的回路去研究主电路的控制程序。电气控制原理图一般是分为主电路和辅助电路两部分。其中的...
地下电工图纸怎么看懂得最快?
控制回路。控制回路要求是从上到下,从左到右。3、看图前必须搞清楚各电器符号含义才能方便看图。分析主电路:无论线路设计还是线路分析都是先从主电...控...
电工该如何苦练看图基本功?
电工该如何苦练看图基本功?一些技术要求不可能都在图面上反映出来,也不可能在图面上一一标注清楚,因为这些技术要求在有关国家标准和技术规程、规范中已做了明...
电工培训多少钱电工识图是不是很难学?
学电工要花多少钱,这是很多人比较注目的问题。现在学电工一般都去培训班自学,一来可以快速入门,二来可以成功的考到电工上岗操作证。有所不同的电...
电工书籍全套?
《电工电路识图、布线、接线与维修》:本书针对电工技术人员和初学者识读电路以及上岗工作的需要,介绍电路基本知识的基础上,精选常用经典电路,从电路组成、原...
没有电工基础怎么考电工证?
没有电工基础要想考电工证,必须年满十入周岁,具有初中及以学历,参加有培训资质的机构培训。学习的内容安全知识,急救知识,以及基本技能培训。包括电子电路,...
现在在一个自动化通用设备制造公司做装配电工,未来该怎么规划和发展?
现在在一个自动化通用设备制造公司做装配电工,我该怎样规划和发展?答:在这样的公司做装配电工,技术含量不高,只要懂得看图纸,怎样排线和接接头即可。基本上...
水电工中级是什么概念_住范儿家装官网
水电工技术等级分初级中级高级中级水电工一、知识要求:1.掌握较复杂的工业与民用建筑水暖工程施工图,工艺管道施工图和有关建筑图的识读知...





