电工并线技巧 【建议收藏】老电工20年接线技巧经验总结,学到就是赚到
【建议收藏】老电工20年接线技巧经验总结,学到就是赚到
导线与导线的连接、线头与接线柱的连接,事情小,责任大。本文图文并茂,让你清清楚楚看懂!!
导线的连接情况有:
单股铜芯导线的直线连接、T字形连接;
双股线的对接;
多股铜芯导线的直线连接、T字形连接;
不等径铜导线的对接;
单股线与多股线的T字分支连接;
软线与单股硬导线的连接;
铝芯导线用压接管压接;
铝芯导线用压接管压接。
1
单股铜芯导线的直线连接
先将两导线芯线线头成X形相交。
互相绞合2~3圈后扳直两线头。
将每个线头在另一芯线上紧贴并绕6圈,用钢丝钳切去余下的芯线,并钳平芯线末端。
2
单股铜芯导线的T字形连接
将支路芯线的线头与干线芯线十字相交,在支路芯线根部留出5mm,然后顺时针方向缠绕6~8圈后,用钢丝钳切去余下的芯线,并钳平芯线末端。
小截面的芯线可以不打结。
3
双股线的对接
将两根双芯线线头剖削成图示中的形式。连接时,将两根待连接的线头中颜色一致的芯线按小截面直线连接方式连接。用相同的方法将另一颜色的芯线连接在一起。
4
多股铜芯导线的直线连接
以7股铜芯线为例说明多股铜芯导线的直线连接方法
先将剥去绝缘层的芯线头散开并拉直,再把靠近绝缘层1/3线段的芯线绞紧,然后把余下的2/3芯线头按图示分散成伞状,并将每根芯线拉直。
把两伞骨状线端隔根对叉,必须相对插到底。
捏平叉入后的两侧所有芯线,并应理直每股芯线和使每股芯线的间隔均匀;同时用钢丝钳钳紧叉口处消除空隙。
先在一端把邻近两股芯线在距叉口中线约3根单股芯线直径宽度处折起,并形成90°。
接着把这两股芯线按顺时针方向紧缠2圈后,再折回90° 并平卧在折起前的轴线位置上。
接着把处于紧挨平卧前邻近的2根芯线折成90° ,并按步骤⑤ 方法加工。
把余下的3根芯线按步骤⑤ 方法缠绕至第2圈时,把前4根芯线在根部分别切断,并钳平;接着把3根芯线缠足3圈,然后剪去余端,钳平切口不留毛刺
另一侧按步骤④~⑦方法进行加工。
5
多股铜芯导线的T字形连接
以7股铜芯线为例说明多股铜芯导线的T字形连接方法
将分支芯线散开并拉直,再把紧靠绝缘层1/8线段的芯线绞紧,把剩余7/8的芯线分成两组,一组4根,另一组3根,排齐。用旋凿把干线的芯线撬开分为两组,再把支线中4根芯线的一组插入干线芯线中间,而把3根芯线的一组放在干线芯线的前面。
把3根线芯的一组在干线右边按顺时针方向紧紧缠绕3~4圈,并钳平线端;把4根芯线的一组在干线的左边按逆时针方向缠绕4~5圈。
钳平线端。
6
不等径铜导线的对接
把细导线线头在粗导线线头上紧密缠绕5~6圈,弯折粗线头端部,使它压在缠绕层上,再把细线头缠绕3~4圈,剪去余端,钳平切口。
7
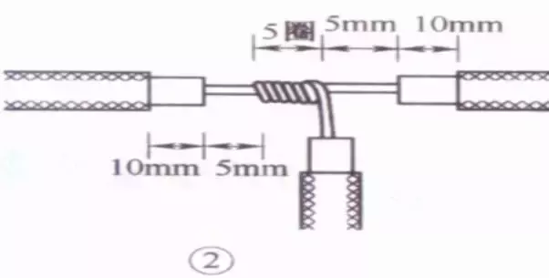
单股线与多股线的T字分支连接
在离多股线的左端绝缘层口3~5mm处的芯线上,用螺丝刀把多股芯线分成较均匀的两组(如7股线的芯线3、4分)。
把单股芯线插入多股芯线的两组芯线中间,但单股芯线不可插到底,应使绝缘层切口离多股芯线约3mm的距离。接着用钢丝钳把多股芯线的插缝钳平钳紧。
把单股芯线按顺时针方向紧缠在多股芯线上,应使圈圈紧挨密排,绕足10圈;然后切断余端,钳平切口毛刺。
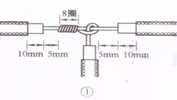
8
软线与单股硬导线的连接
先将软线拧成单股导线,再在单股硬导线上缠绕7~8圈,最后将单股硬导线向后弯曲,以防止绑脱落。
9
铝芯导线用压接管压接
接线前,先选好合适的压接管,清除线头表面和压接管内辟上的氧化层和污物,涂上中性凡士林。
将两根线头相对插入并穿出压接管,使两线端各自伸出压接管25~30mm。
用压接钳压接。
如果压接钢芯铝绞线,则应在两根芯线之间垫上一层铝质垫片。压接钳在压接管上的压坑数目,室内线头通常为4个,室外通常为6个。
10
铝芯导线用压接管压接
连接前,先用钢丝刷除去导线线头和沟线夹线槽内壁上的氧化层和污物,涂上凡士林锌膏粉(或中性凡士林),然后将导线线卡入线槽,旋紧螺栓,使沟线夹紧紧夹住线头而完成连接。为防止螺栓松动,压紧螺栓上应套以弹簧垫圈。
想知道哪方面的知识,可以后台发送消息给我们哦。我们会尽量满足大家的诉求,一起分享~如有错误知识,请互相指出,方便大家,少走弯路!
老电工总结的经典12例接线方法,建议收藏
一、电动机接线
一般常用三相交流电动机接线架上都引出6个接线柱,当电动机铭牌上标为Y形接法时,D6、D4、D5相连接,D1~D3接电源;为△形接法时,D6与D1连接,D4与D2连接,D5与D3连接,然后D1~D3接电源。可参见图1所示连接方法连接。
图1 三相交流电动机Y形和△形接线方法
二、三相吹风机接线
有部分三相吹风机有6个接线端子,接线方法如图2所示。采用△形接法应接入220V三相交流电源,采用Y形接法应接入380V三相交流电源。一般3英寸、3.5英寸、4英寸、4.5英寸的型号按此法接。其他吹风机应按其铭牌上所标的接法连接。
图2 三相吹风机六个引出端子接线方法
三、单相电容运转电动机接线
单相电动机接线方法很多,如果不按要求接线,就会有烧坏电动机的可能。因此在接线时,一定要看清铭牌上注明的接线方法。
图247为IDD5032型单相电容运转电动机接线方法。其功率为60W,电容选用耐压500V、容量为4μF的产品。图3(a)为正转接线,图3(b)为反转接线。
图3 IDD5032型单相电容运转电动机接线方法
四、单相电容运转电动机接线
图4 JX07A-4型单相电容运转电动机接线方法
图4是JX07A-4型单相电容运转电动机接线方法。电动机功率为60W,用220V/50Hz交流电源、电流为0.5A。它的转速为每分钟1400转。电容选用耐压400~500V、容量8μF的产品。图4(a)为正转接线,图4(b)为反转接线。
五、单相吹风机接线
图5 单相吹风机四个引出端子接线方法
有的单相吹风机引出4个接线端子,接线方法如图5所示。采用并联接法应接入110V交流电源,采用串联接法应接入220V交流电源。
六、Y100LY系列电动机接线
目前,Y系列电动机被广泛应用。Y系列电动机具有体积小、外形美观、节电等优点。它的接线方式有两种:一种为△形,它的接线端子W2与U1相连,U2与V1相连,V2与W1相连,然后接电源;另一种为Y形,接线端子W2、U2、V2相连接,其余3个接线端子U1、V1、W1接电源。接线见图6。
图6 Y100LY系列电动机接线方法
七、低压变压器短路保护线路
目前,机床的工作灯、行灯都采用低压变压器提供36V安全电压,由于灯具在使用中经常移动,极易发生短路故障,造成熔断器熔断甚至烧坏变压器。如果使用36V小型中间继电器或36V交流接触器做变压器的通断开关,可避免烧坏变压器。线路如图7所示。
图7 低压变压器短路保护线路
工作原理: 闭合S后,按下按钮SB1,变压器得电输出36V低电压,使得继电器或交流接触器KA吸合。放松按钮SB1后,KA自锁触点使KA保持吸合,继续给变压器接通电源。如果变压器次级发生短路故障,继电器线圈电压为零,此时KA便失电释放,将变压器电源断开,保护变压器不被破坏。
八、速电动机2Y/2Y接线方法
图8所示是2Y/2Y电动机双速定子线组的引出线接线方法。按图8(a)连接是一种转速,按图8(b)连接得到另一种转速。
图8 双速电动机2Y/2Y接线方法
九、直流电磁铁快速退磁线路
直流电磁铁停电后,因有剩磁存在,有时会造成不良后果。因此,必须设法消除剩磁。图9中,YA是直流电磁铁线圈,KM是控制YA启停的接触器。KM吸合时,YA通电励磁;KM复位时,YA断直流电,并进行快速退磁。
快速退磁的工作原理是:直流电磁铁断电后,交流电源通过桥式整流器和YA向电容C充电,随着电容C两端电压的不断升高,充电电流越来越小,而通过YA的电流又是交变的,从而使电磁铁快速退磁。电容C的容量要根据电磁铁的实际情况现场试验决定。R为放电电阻。
图9 直流电磁铁快速退磁线路
十、缺辅助触点的交流接触器应急接线
当交流接触器的辅助触点损坏无法修复而又急需使用时,采用图12中所示的接线方法,可满足应急使用要求。按下SB1,交流接触器KM吸合。放松按钮SB1后,KM的触点兼作自锁触点,使接触器自锁,因此KM仍保持吸合。
图中SB2为停止按钮,在停止时,按动SB2的时间要长一点。否则,手松开按钮后,接触器又吸合,使电动机继续运行。这是因为电源电压虽被切断,但由于惯性的作用,电动机转子仍然转动,其定子绕组会产生感应电动势,一旦停止按钮很快复位,感应电动势直接加在接触器线圈上,使其再次吸合,电动机继续运转。接触器线圈电压为380V时,可按图12(a)所示接线;接触器线圈电压为220V时,可按图12(b)接线。图12(a)的接线还有缺陷,即在电动机停转时,其引出线及电动机带电,使维修不大安全。因此,这种线路只能在应急时采用,并在维修电动机时,应断开控制电动机的总电源开关QS,这一点应特别注意。
图12 缺辅助触点的交流接触器应急接线
十一、单相电容电动机线路
单相电容电动机启动转矩大,启动电流小,功率因数高,广泛应用于家用电器中,如电风扇、洗衣机。为了便于维修安装,现介绍这种电动机常用的接线方法。
图16(a)为可逆控制线路,操纵开关S2,可改变电动机的转向,该线路一般用于家用洗衣机上。
图16(b)为带辅助绕组的接线线路,拨动开关S,可改变辅助绕组的抽头,即改变主绕组的实际承受电压,从而改变电动机的转速,此接线方法常用于电风扇上。
图16(c)为带电抗器调速的电容电动机接线线路。由于电抗器绕组(其在线路中起到降压作用)的串入,调节电抗器绕组的串入量,即可改变转速。这种方法目前广泛应用在家用电风扇线路中。在启动电动机时一般先拨到“1”挡上,即为高挡,这时电抗器不接入线路,使电动机在全压下启动,然后再拨“2”挡或任何挡来调节电动机转速。
图16 单相电容电动机线路
十二、三相异步电动机改为单相运行线路
如果只有单相电源和三相异步电动机供使用,可采用并联电容的方法使三相异步电动机改为单相运行。
如图19所示:图(a)为Y形接法电动机连接方法,图(b)为△形接法电动机连接方法。为了提高启动转矩,将启动电容CQ在启动时接入线路中,在启动完毕后退出。
工作电容CG容量的计算公式:
CG=1950I/Ucosφ(μF)
式中: I为电动机额定电流;U为单相电源电压;cosφ为电动机的功率因数。当计算出工作电容后,启动电容选用工作电容的1~4倍。
图19 三相异步电动机改为单相运行线路
相关问答
电工并线头的几种方法?
有3种并线头的连接方法:1、搭接法,一根线在与另一根线搭接,均匀缠绕五至七圈,在回弯压死。2、对接法,两根电源线相交叉,反向各缠绕五至七圈,即可。3、一...
电工接线缠绕方法?
缠绕方法如下:1、常规的方法。很多老电工在连接电线的时候都会配备一个胶布,而这种胶布起到了隔绝的效果,他们会在缠绕电线的时候,用防火胶布多缠绕几圈,做...
电工接线怎么又快又好?
第一步先给元件焊接部分和线路板渡锡,把元件插入电路板,一手握烙铁一手拿锡丝,用电烙铁加热被焊处,加锡适量,待锡融化为水,离开电烙铁,我的表达能力不好,...
请问电线并线的各种方法?感谢??
电线并线,我常用这种方法,一起来看看。现在做电工讲究的是方法,用对方法了干活快又耐用,电线并线对接因为很多电工没有拧紧线导致松动,现在我把我常用的方...电...
电工有哪几种接线方法?
1、第一种接法。注意:在家装中是不应有接头的,特别是在线管内更不能有接头,如果有接头也应该是在电线盒内。通常的电线接头都是这样的接法,才能保证电线接头...
电工接灯线的控制方法?
1、家中电灯接线方法一灯一控、一灯两控、一灯三控等等,不同的接线方法电灯接线的方式等存在差异。如果采用单控的接线方法进行接线,我们要先将电源断开,从...
电工配线如何做到横平竖直?
每根线要接哪个口上,比划好距离,用尖嘴钳折弯成90度。这是一个日积月累的手艺和技术。也是一个电工对工作态度负责的表现。配电箱里面的硬线走得横平竖直很好...
电工正负极接线方法?
二极管没有正负极,只要保证从一端进入,另一端出来,分叉处尽量接近下一个物品,导线要保证不交叉。电池要分别从正、负极出来,如有多个应将中间的正负极相连。...
电工螺丝接线方法?
1、先将软线拧成单股导线,再缠到单股硬线上,绕7~8圈左右(视自身情况定);2、最后将单股硬导线向后弯曲,压紧以防止脱落。螺线法是比较规范的电线接头处理...
黄线红线绿线蓝线怎么按顺序接好?
按照规定黄、绿、红三根电线分别依次接U、V、W(旧标准称为A、B、C)三根火线,蓝线接零线。而在实际的电工作业中,往往无法区分,也不必区分三根火线的相序,这...



