电工证难不难考 电工证很难考?有了这篇指南就简单了
电工证很难考?有了这篇指南就简单了
电工证作为从业资格证是需要从业人员人手一本,这是电工行业的第一块入门砖,其中电工证分为四种,特种作业操作证、电工进网作业许可证、职业资格证书、建筑施工特种操作资格证,本文只对特种作业操作证(低压电工证)做讲解。
特种作业操作证 :作业种类:电工(俗称操作证、上岗证),分类: 高压运行维护作业、高压安装修造作业、低压电工作业、安装、维修、发电、配电。自2010年后,老版特种作业操作证(IC卡)样本改用二代身份证似的IC卡类新版中华人民共和国特种作业操作证样本 ,复审为三年一审,特种作业操作证6年换一次证。
作为工厂、物业电工来讲,低压电工证是必须要考取的操作证,因为现在电工证是安监局发放,所以报名也需要通过安监局进行,可以选择安监局网站报名,也可以选择当地培训机构代报名,费用各个地区不等,具体还需联系当地部门。
低压电工证考试内容
考试内容包括理论考试和实操考试
理论考试:理论考试分为消防急救和电工基础理论知识,消防急救知识包括救火常识、急救知识、触电急救常识等,关于这一类的知识可以提前了解,在培训机构,老师会教给大家。
电工基础理论知识学习就是考验大家的基础功底,如果是电气行业毕业,考电工证就非常简单了,如果是零基础,那就要找到题库进行训练学习,题库可以在网络上或者手机下载APP进行学习,当然如果是报名了培训机构,培训机构也会提供电脑给我们练习,加强训练通过率更高。
实操考试内容
实操考试内容分为接线、排故、答辩。
接线内容包括:
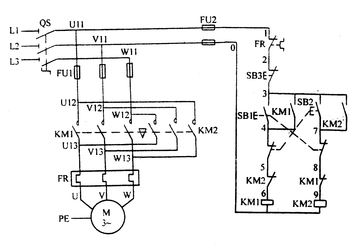
一灯双控电路接线:一灯双控接线要点是两个开关的公共端,火线进入一个开关的公共端L,另外一个开关的L接入灯泡,灯泡接进零线,两个开关的L1、L2互接;五孔插座电路接线:五孔插座的接线要采用左零右火上接地的原则进行接线,方法比较简单;日光灯接线:日光灯是需要连接镇流器才能启动的,所以接线方法是火线经过开关,进入镇流器,镇流器输出端接入日光灯,接线方法需要按照镇流器电路图进行;三相电机正反转接线;最难点就是三相电机的正反转电路,但是吃透交流接触器的自锁、互锁、按钮互锁以及三相电机正反转换相反转原理就能够轻松通过考验;三相电机正反转
排故
排故之前是要进行抓阄,上面一共有四个接线项目,抽到哪一个就要对其中一项进行排故,排故是需要使用万用表,主要考点就是点与点之前是否连通,元器件功能是否正常;
答辩
答辩的内容比较多,各地内容也是不同,一般就是各种仪表的识别和使用方法,包括:万用表、电流表、电压表、兆欧表等,考官会调其中一二进行询问,注意回答使用要点,多说考官不会难为。
掌握好要点才能更快的通过考试,电工证并非无用,不出事万事大吉,出了事谁都救不了你。需要电工理论试题的可以私信或者评论电工试题,点击下面链接也可以下载试题。
提取码: yn6j 复制这段内容后打开百度网盘手机App,操作更方便哦
过来人分享:考电工证和学电工到底难不难?
#学电工,学电工难吗?#
在当今社会,电工是一个非常重要的职业。无论是家庭装修、工厂生产还是电力维护,都离不开电工的身影。
那么,考电工证和学电工到底难不难呢?今天,我们就来从多个方面进行详细分析。
一、电工证的种类和要求
首先,我们需要了解电工证的种类和要求。电工证主要分为低压电工证和高压电工证两种。低压电工证适用于 1000V 以下的电气设备安装、调试、运行、维护等工作;
高压电工证适用于 1000V 以上的电气设备安装、调试、运行、维护等工作。不同的电工证对应着不同的工作范围和要求,因此在考取电工证之前,需要根据自己的实际情况选择适合自己的证书。
二、学习电工的基础知识
学习电工需要掌握一定的基础知识,如电路原理、电机原理、电气控制等。
这些知识对于初学者来说可能会比较抽象和难以理解,需要花费一定的时间和精力去学习和掌握。同时,学习电工还需要具备一定的数学和物理知识,如欧姆定律、功率计算等。
三、实践操作能力的培养
除了掌握基础知识外,学习电工还需要具备一定的实践操作能力。
在学习过程中,需要进行大量的实验和实践操作,如电路连接、电机调试、电气设备维护等。通过实践操作,方能加深对理论知识的理解和掌握,提高自己的实际操作能力。
四、考试难度和通过率
考取电工证需要参加相应的考试,考试内容包括理论知识和实践操作两部分。 考试难度和通过率因地区和证书种类而异。
一般来说,低压电工证的考试难度相对较低,通过率较高;高压电工证的考试难度相对较高,通过率较低。因此,在考取电工证之前,需要了解当地的考试要求和通过率情况,并做好充分的准备,对于用心备考的人,一般都能考取电工证。
五、学习电工的时间和成本
学习电工自然需要花费一定的时间和成本。
一般来说,学习电工的时间在几个月到一年不等,具体时间取决于个人的学习能力和学习进度。同时,学习电工还需要支付一定的学费和考试费用,这些费用因地区和培训机构而异。因此,在学习电工之前,需要考虑自己的时间和经济成本,并做好充分的准备。
六、学习电工的途径和方法
学习电工的途径和方法有很多种,如自学、参加培训班、拜师学艺等。不同的学习途径和方法适用于不同的人群,需要根据自己的实际情况选择适合自己的学习方式。同时,在学习过程中,还需要注重学习方法的选择,如多做练习题、多进行实践操作、多向他人请教等。
如果有老师父带或者有人亲自教,是最好不过了!
七、总结
综上所述,考电工证和学电工并不是一件非常容易的事情,需要具备一定的基础知识、实践操作能力和考试技巧。同时,还需要花费一定的时间和成本进行学习和准备。
希望以上内容对大家有所帮助!如果大家有关于考电工证和学电工的其他问题,欢迎在评论区留言讨论。
相关问答
考电工难度大么?
其实电工证考试一点都不难,主要考的就是欧姆定律,电路的串并联,功率计算,用电安全,日光灯的工作电路,电动机的正反转控制,电工仪表的使用,触电急救。很多人觉...
考取电工证难吗?
考取电工证:我是公司组织去考试的,首先要准备八张一寸照片,身份证复印件,报名费和体检费,大概300元,报名填表,然后去医院体检,体检通过后,等公司通知考...考取电...
电工证难不难考?帮我同事问问..._技工证考试_帮考网
难者不会,会者不难。只要你把发给你的考试大纲好好学习,就会很顺利的通过。
电工证实操难不难?
电工证实操难度较大,需要掌握一定的专业知识和技能。在考试中,电工需要掌握电路的安装、故障排除、工具使用等技能,还需要了解安全操作规程和规范。因此,需要...
电工证难不难考?帮我大学宿友问问..._技工证考试_帮考网
我之前考过电工证,回答一下你大学宿友:电工证考试的难易程度具体看申报的种类,安监局的电工证重视理论考试;人社厅的维修电工证一般级别越高,难度也...
电工证考试难度大吗?电工证考什么内容?
电工证考试难度大吗?都考什么内容?现在的考试难度比以前大多了,以前考试可以说基本都是开卷,只要交足办电工证的基本费用,电业管理部门象征性的培训几天,...电...
电工证难不难考?
这个问题是这样的,电工证并不难考,这里指的是初级电工证,不过,并不是有了电工证就可以上岗了,而是要有经验的老师傅带一段时间,有了一定的实际工作经历,才...
电工证好考吗?
1.相对来说,电工证不算难考。2.因为电工证考试内容相对简单,主要是电路原理、电器安装、维修等基础知识,而且考试形式也比较灵活,可以选择笔试或者口试。但...
电工证好考吗?
电工证考试难度不算太高,但需要考生具备一定的电气知识和技能。考试内容主要包括电路基础、电机原理、安全操作等方面,需要考生具备较强的理论和实际能力。同...
电工证好考吗?
电工证考试难易程度因国家、地区和考试级别而异。一般来说,电工证属于技能型证书,需要考生具备一定的技术水平和实践经验。在中国,电工证考试分为初/中/高级...



