电工电子考试题 电工技术(试题及答案)
电工技术(试题及答案)
1、试用戴维宁定理求电流 I 。(12分)
编辑
添加图片注释,不超过 140 字(可选)
解: 开路电压
编辑
添加图片注释,不超过 140 字(可选)
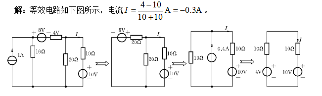
2、用电源等效变换法求电流 I 。(8分)
编辑
添加图片注释,不超过 140 字(可选)
解:
编辑切换为居中
添加图片注释,不超过 140 字(可选)
3、已知 R 1=1 W, R 2= R 3= R 4= R 5=6 W。试用叠加原理求电流 I 。(12分)
编辑
添加图片注释,不超过 140 字(可选)
解:
编辑
添加图片注释,不超过 140 字(可选)
编辑切换为居中
添加图片注释,不超过 140 字(可选)
5、已知总电压的有效值为 U =220 V,1号、2号电压表的读数为 U 1= U 2=127 V。试求3号电压表的读数 U 3,并画出电压与电流的相量图。(12分)
编辑
添加图片注释,不超过 140 字(可选)
编辑
添加图片注释,不超过 140 字(可选)
编辑切换为居中
添加图片注释,不超过 140 字(可选)
编辑切换为居中
添加图片注释,不超过 140 字(可选)
编辑切换为居中
添加图片注释,不超过 140 字(可选)
9、某 三 相 异 步 电 动 机,铭 牌 数 据 如 下:D 形 接 法, P N = 45 kW, U N = 380 V, n N = 980 r / min, h N = 92 %, l N = 0.87 , I st / I N = 6.5, T st / T N = 1.8。求:
(1) 直 接 起 动 时 的 起 动 转 矩 及 起 动 电 流;
(2) 采 用 U-D 方 法 起 动 时 的 起 动 转 矩 及 起 动 电 流。(8分)
编辑切换为居中
添加图片注释,不超过 140 字(可选)
10、填空题(每空1分,共8分)
(1)、熔断器在电路中起 短路 保护作用;热继电器在电路中起 过载 保护作用。接触器具有 欠压和失压 保护作用。
(2)、RL串联电路中,测得电阻两端电压为120V,电感两端电压为160V,则电路总电压是 200 V。
(3)、品质因数越大,电路的 选择 性越好,但不能无限制地加大品质因数,否则将造成 通频带 变窄,致使接收信号产生失真。
(4)、非正弦周期量的有效值与正弦量的有效值定义相同,但计算式有很大差别,非正弦量的有效值等于它的各次 谐波 有效值的 平方和 的开方。
100道电工考试试题,等你来答题挑战
突然!2019年只剩下最后4天!
对于2019年你有什么想说的?
是努力升职加薪成为工程师了?
还是依旧在车间工厂忙碌?
有些电工小伙伴就说了
今年我靠自己的努力
让自己的工资翻了一番
也可能有些小伙伴
觉得自己又混了一年
没事,光说不练假把式
今天小编就来考考你们
100道电工考试试题
咱们且以知识论高低
不管你是升职加薪了
还是在原岗位继续耕耘
咱来检测检测就知道
今年!2019年!
你是否真的成长了?
废话不多说,直接做题
↓↓↓
温馨提醒:本题库每人可测试一次,之后多分享就能多测试! 每次随机测试100道。想体验整套题库的朋友,一定要多分享哦~
还在等啥!!????
这么机不可失时不再来的机会
你还不私信小编回复“电工试题”进行测试??!!
相关问答
考电工证题目有多少题?
电工考试,分理论和实操考试。我是刚在陕西拿低压电工证,理论是100题,100分,在电脑上操作,80分以上过关。实操就是,在模拟机上,插线模拟一个起保停电路。...
初级电工考试题?
一、名词解释:1、三相交流电:由三个频率相同、电势振幅相等、相位差互差120°角的交流电路组成的电力系统,叫三相交流电。2、一次设备:直接与生产电能...
高压电工有多少条题目?
819题。高压电工进网考试题库年年都是一样的,总共819题,实际考试86题。单项选择题,40题40分,每题1分。判断题,36题36分,每题1分多项选择题,8题16分,每...8...
高压电工操作证考试题规律?
高压电工证考试诀窍:1.不属于一级、二级用电负荷者,就是三级用电负荷。2.中断供电会造成人身伤亡的用电负荷者,属于二级负荷。3.中断供电会造成人身伤亡...
初级电工理论考试题多少分及格?
理论部分60分算及格不管是电工上岗证考试还是职业资格考试,考试都分为理论和实操两个部分。考试的难易程度详细看你申报的种类是什么。1、如果你做过电工,可...
物业电工安全员考试题..._安全员考试_帮考网
1.电气安全的基本原则是什么?2.电气事故的主要原因有哪些?3.电气设备的安全使用要求有哪些?4.电气设备的维护保养要求有哪些?5.电气事故的应急...
2018国家电网考试题型是怎样的?
三、判断题30题,全部为电分、继保知识;四、资料分析10题;总共165题;这是考试题型来源微信小程序“安全生产模拟考试一点通”下查询。该平台可以在平台上模拟...
电工年审试题的答题技巧?
低压电工(IC卡)考证、年审技巧温馨提示1、请先把判断题错误的记熟,然后再去记单选题。2、考试时考100题,其中判断题70题,单选题30题;每题1分,80分及以...
比亚迪低压电工面试考官常问的题?
1.请你自我介绍一下你自己?回答提示:一般人回答这个问题过于平常,只说姓名、年龄、爱好、工作经验,这些在简历上都有。其实,企业最希望知道的是求职者能否胜...
电工高级工2019年陕西事业单位工勤人员考试题..._事业单位考...
考试界为您服务。重庆市机关事业单位工勤人员技术等级考试专业科目测试您可以关注。这里有最新的事业单位考试招聘招考信息和相关考试的历年真题。...



