电工开关接线图 电工:家庭装修中必备的开关类接线图,再不会接线就尴尬了!
电工:家庭装修中必备的开关类接线图,再不会接线就尴尬了!
对于电力作业人员而言,家庭电路的接线是电工的基本技能,熟练的掌握家装接线不仅可以提高自身的技能,还能够在发生故障时进行快速有效的处理,其中家用开关类接线是家庭电路中经常遇到的,也是最容易出错的地方。
一,下面列举了家庭电路中常用的开关类接线:
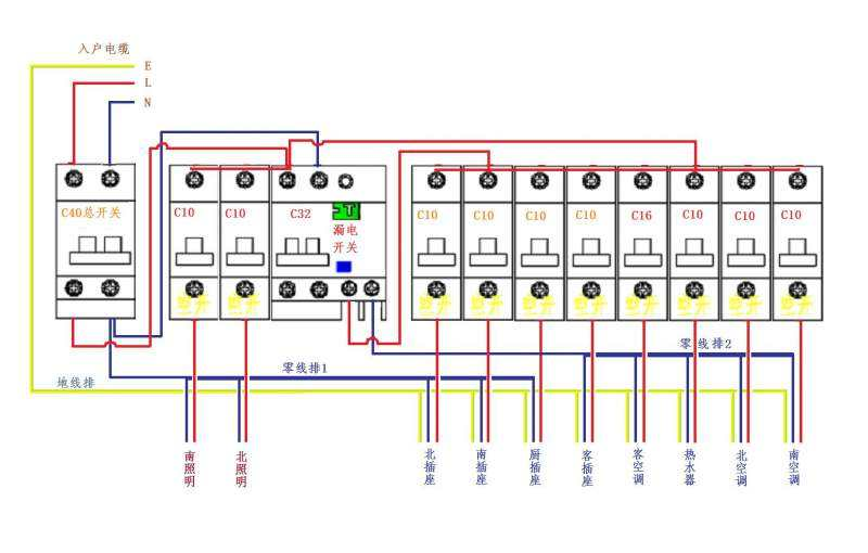
二,家用配电箱的常用接线。
最全的开关接线图,单控、双控、三控,赶紧收藏了
一、 一开单控开关接线图
二、 二三开连体单控开关接线图
三、 四开连体单控开关接线图
四、 一开五孔单控插座接线图
五、 二开五孔单控插座接线图
六、 一开双控开关接线图
七、二三开单控开关接线图
八、 四开单控开关接线图
九、一开五孔单控插座接线图
十、二三开双控开关接线图
十一、 一开多控开关接线图
十二、 两开多控开关接线图
十三、 三开多控开关接线图
最牛的一个:
相关问答
开关是从这八根线里接出来的,请哪位师傅看看怎么接?
开关的作用是断开火线,所以,你只要把带电的那根断开,一端从电源端引入开关其中一个接线端子,断开的另一端接开关另一个接线端子,引出接到日光灯整流器的电源...
一个灯一开五控三控开关接线图-懂得
一开五孔插座接线如图:插座模块:L孔接火线,N孔接零线,PE孔接地线。开关模块:L孔接火线,L1孔接灯的控制线。灯的零线和电源的零线并联。你说的是五...
带灯的按钮开关怎么接线如题按钮上一共有五个接线柱,现在只...
[最佳回答]很简单,这种开关应该是两个端子接灯,另外3个端子是开关的,找出接灯的端子和开关的端子,然后分清楚你是要用哪两个端子接开关,直接把灯和要接的开关...
四开单控的开关怎么接线!我买了个捷鹰四开单控的开关,谁能告...
[最佳回答]查出一个来电的总线,红色的(可根据线的大小或者其他标注查找),将这线接到L1上,分别将L1、L2、L3、L4用线连接起来,其他4根线就分别接至根据,L11,L21...
请问电工师傅公牛开关单开怎么接线?
公牛开关单开应按照以下方式接线:将电源的线路接到开关上端的位置,将负载的线路接到开关下端的位置,接线时应确保安全可靠,以避免出现电路故障引起的安全隐患...
4个灯一个开关怎么接线?-楼盘网
[最佳回答]需要通过灯泡串联这种方式来进行接线。在接线的时候,从正极开始需要依次连接电源、开关以及四个灯泡,最后再回到负极即可。在串联电路里面,由于电流...
开关科必火怎样接线?
回答如下:开关科必火的接线方式根据具体的使用场景和需要来决定,一般有以下几种常见的接线方式:1.单控接线方式:将开关的两个触点分别接入电源线路的两个相...
0和1开关电路接法?
单联双控开关接线方法:开关开关共三个接线端子,三个接线端子之间关系是:1、当开关往上打,L和L1接通。同时L和L2端断开。2、当开关往下打,L和L2接通。...
电工师傅,三个接线孔的两开单控开关怎样接线呀?三个接线孔分别为L、L1、L2?
要两个开关才可以工作:两个开关的L1和L2,号对号连接。火线接进一开关的L,另一个开关的L接灯的进线。灯泡出线接零线N要两个开关才可以工作:两个开关的L1和L2,...
手按开关怎么接线?
手按开关的接线方法:第一,断开电源。第二,用小号的十字螺丝刀打开手按开关的后盖,看到里面有两个螺丝钉。第三,把火线断开,分别接在...手按开关的接线方法...





