电工电路图 值得收藏的上百张电工常用电路图(流量党勿进,全是高清大图)
值得收藏的上百张电工常用电路图(流量党勿进,全是高清大图)
上百种电路图,接线不求人,记得收藏……
一、日光灯类
二、断路器、接触器控制回路
三、电动机
延时
四:热电偶
五、电能表
六、其他
8个经典的电工电路,全都搞懂的才是老师傅,你搞懂了几个?
1.日光灯照明与两控一灯一插座线路
日光灯照明与两控一灯一插座线路
里面包含②单相电表的接线,两个⑨和一个⑩是一灯双控的接线,⑤⑥⑦⑧为日光灯的接线。这个电路非常的实用,是家装照明控制的经典案列。
2.线绕式异步电动机控制线路
线绕式异步电动机控制线路
转子绕组上串联电阻来改变电机的机械特性,从而实现小电流启动、增大启动转矩及调速的目的。利用了三个时间继电器和三个接触器相互配合,启动时,串入多级电阻然后分段切除。电机的转速会逐级提高,最后达到额定转速稳定运行。
3.三相四线电度表带互感器电路图
三相电表接线
三相四线电表的接线要点:1、4、7接互感器的K1,3、6、9接互感器的K2并连一起做接地保护,2、5、8接UVW三相电源,11为零线。
4.星/三角降压起动控制线路
星三角启动
经典的星三角降压启动,虽然比不上软启动,但是应用还是很广的。一个主接触器,一个星接触器,一个角接触器。通过时间继电器,实现自动转换的目的。
5.双重联锁正、反转控制线路
正反转电路
电机的正反转电路相来应用广泛,双重互锁提高了电路的安全性。2个接触器组成的电气互锁和2个启动按钮组成的机械互锁。
6.电动机单向两地控制线路
异地控制
异地控制相对来说非常简单,要点就是:启动按钮并联,停止按钮串联。
7.电动机点动、 连动 控制
点动加自锁
这个是基础电路,SB2按下去KM吸合自锁,SB3是点动按钮。
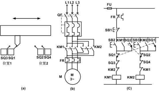
8.自动往返控制电路
自动往返电路
自动往返电路和双重互锁电路其实是类似的,限位开关的触点和按钮开关的触点类似。所以两个行程开关机械互锁加两个接触器电气互锁。
这是8个比较经典的电路,你搞懂了几个?
欢迎留言点评
(图片采集自网络)
相关问答
电工电路图符号大全_作业帮
[最佳回答]电工符号大全电流表PA电压表PV有功电度表PJ无功电度表PJR频率表PF相位表PPA最大需量表(负荷监控仪)PM功率因数表PPF有功功率表PW无功功率...
汽车电工电路图识读方法要领-汽车维修技术网
[回答]qcwx_s2()
电工布线图纸怎么看?
电工布线图纸是一种用于指导电气工程安装和维护的图纸。以下是一些常见的阅读电工布线图纸的要点:了解电路符号:电工布线图纸中使用了很多特定的符号来表示不...
电线图纸怎么看?
每根线都是一个回路,边上都有编号分别从WL1-WL8WL1.是照明回路,此回路要从照明平面图看WL2除了厨房,卫生间,空调这些插座,住宅内的其余插座是一个回路,,...每...
电工图纸应该从哪先看起?是图纸,有那些符号都代表的是什么?...
[最佳回答]电工图纸分为系统图,原理图和装配图.推荐你几本书看一下,《电力系统自动化》,《电力拖动》,《电气设备》,符号和原理在书里都有.电工图纸分为系统...
电工图纸怎样看?
1、找出控制电路的电源线:L、N(220V),L1、L2(380V),其他还有24V、~24V的。2、从控制电源的L或L1端开始看起,看各支路电流经过哪个按钮,再经过哪些接触...1...
地下电工图纸怎么看懂得最快?
看图方法:1、看主回路。2、在看控制回路。控制回路要求是从上到下,从左到右。3、看图前必须搞清楚各电器符号含义才能方便看图。分析主电路:无论线路设计...
如何看懂电工图纸?
2、快速看图:从上到下看图。正规的电路图都是从上到下逐步阐明电路的保护,控制和原理的。二次回路的控制也同样如此,从上到下的看电路图能够事半功倍。3、...
家用装修电工图纸怎么看懂得最快?
要想快速看懂家用装修电工图纸,可以遵循以下步骤:了解基本电气知识:熟悉常见的电气符号和标识,如开关、插座、电线等,以及它们的基本功能和工作原理。这有助...
电工图纸怎么看穿多大的线?
要看电工图纸上的线的尺寸大小,首先需要查看图例或图纸说明,其中会标明不同线的表示方法。通常,电工图纸上的线会用不同的线型或线宽来表示其尺寸大小。例如,...
